液体涡轮流量计
产品简介
/ product introduction涡轮流量计是叶轮式流量(流速)计的主要品种。由传感器和转换显示仪组成,传感器采用多叶片的转子感受流体的平均流速,从而推导出流量或总量。转子的转整(或转数) 可用机械、磁感应、光电方式检出并由读出装置进行显示和传送记录。美国是在1938年开发的,它用于飞机上燃油的流量测量,只是直至二战后因喷气发动机的液体喷气燃料急需一种高精度、快速响应的流量计才使它获得工业应用。如今,它已在石油、化工、科研、国防、计量各部门中获得**应用。
产品特点
/ product characteristic1.准确度高,一般可达±1%R、±0.5%R,高精度型可达±0.2%R;
2.重复性好,短期重复性可达0.05%~0.2%,正是由于具有良好的重复性, 如经常校准或在线校准可得到较高的准确度,在贸易结算中是优先选用的流量 计;
3.就地显示,瞬时流量和累积流量
4.输出脉冲频率信号,4-20mA,485通讯
5.可获得很高的频率信号,信号分辨力强;
6.范围度宽,中大口径可达1:20,小口径为1:10;
7.结构紧凑轻巧,安装维护方便,流通能力大;
8.适用高压测量,仪表表体上不必开孔,易制成高压型仪表;
9.专用型传感器类型多,可根据用户特殊需要设计为各类专用型传感器,例 如低温型、双向型、井下型、混砂专用型等;
10.可制成插入型,适用于大口径测量,压力损失小,价格低,可不断流取出, 安装维护方便。
技术参数
/ technical parameters
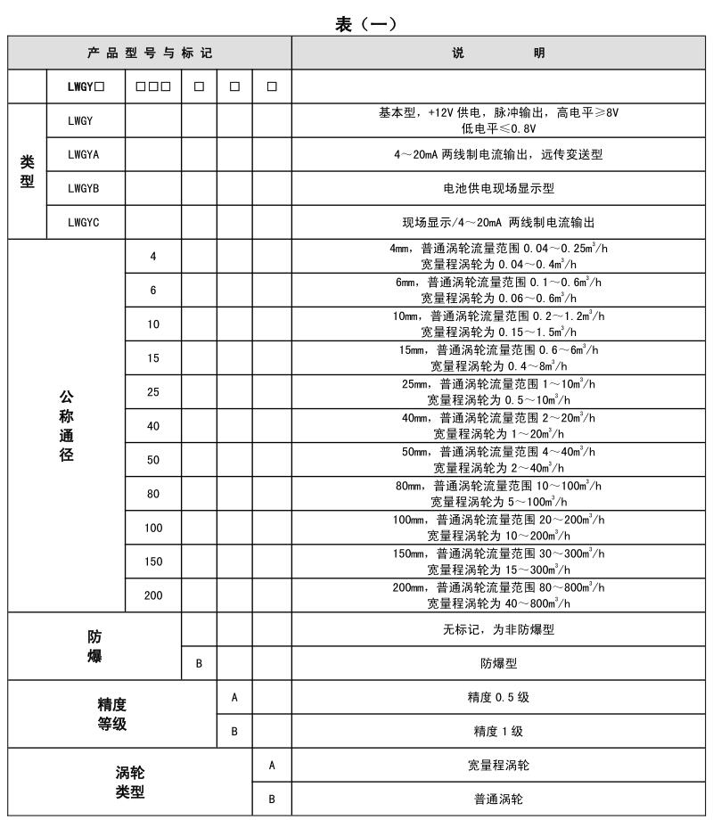
口径流量对照表

四、外形尺寸及安装示意图



产品选型
/ product selection


